Снятие и установка масляного поддона Volkswagen Golf IV
Общие сведения
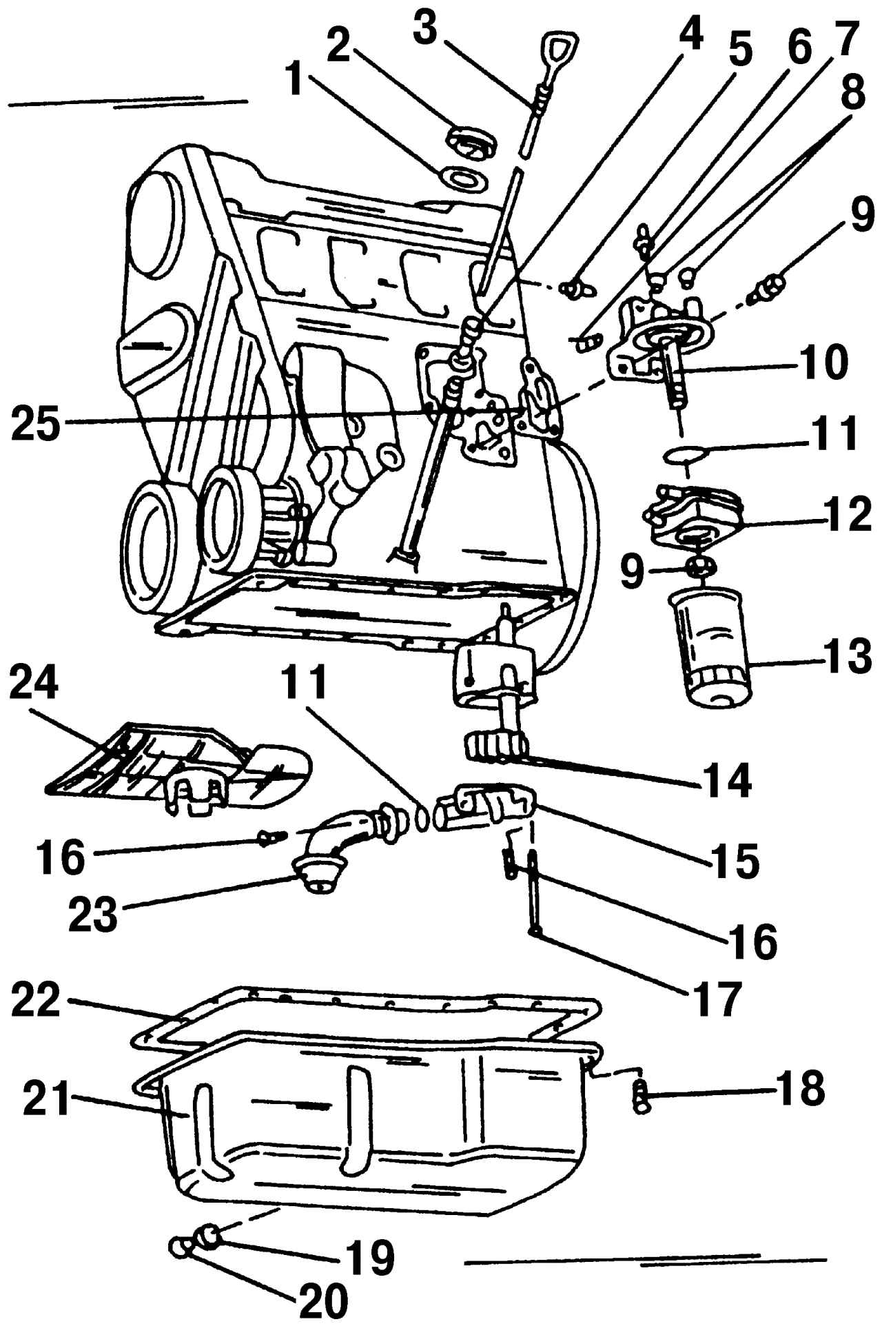
Масляный поддон и масляный насос дизельного двигателя
|
|
| 1 – масляный насос; 2 – звездочка масляного насоса; 3 – болт, 25 Нм; 4 – цепь; 5 – передняя крышка с уплотнительным кольцом. Крышка устанавливается на герметик VW-D 176404А2. В крышке установлено переднее уплотнительное кольцо коленчатого вала; 6 – болт, 15 Нм; 7 – устройство натяжения цепи, 15 Нм; 8 – щуп для измерения уровня моторного масла; 9 – вводная труба; |
10 – направляющая труба; 11 – направляющие втулки масляного насоса; 12 – уплотнительное кольцо круглого сечения; 13 – труба маслозаборника; 14 – дефлектор масла; 15 – масляный поддон. Установка масляного поддона производится на герметик VW-D 176404А2; 16 – уплотнительное кольцо. При установке необходимо использовать новое уплотнительное кольцо; 17 – маслосливная пробка, 30 Нм |
Масляный фильтр дизельных двигателей
|
|
| 1 – резьбовая пробка, 25 Нм; 2 – уплотнение; 3 – масляный теплообменник. Если в моторном масле присутствует большое количество стружки, это указывает на задиры в двигателе и на необходимость замены масляного теплообменника; 4 – уплотнение. Уплотнение устанавливается в канавку теплообменника; 5 – уплотнительное кольцо. При наличии дефектов необходимо использовать новое уплотнительное кольцо; 6 – резьбовая пробка, 10 Нм; 7 – резьбовая пробка; 8 – пружина редукционного клапана на 5 бар; 9 – плунжер редукционного клапана на 5 бар; |
10 – датчик давления масла, 25 Нм (серого цвета); 11 – уплотнение; 12 – болт, 15 Нм + довернуть на угол 90°. При установке необходимо использовать новый болт. В первую очередь завинчиваются верхний левый и нижний болты, после чего все четыре болта затягиваются требуемым моментом; 13 – держатель масляного фильтра; 14 – уплотнительное кольцо; 15 – трубопровод подачи масла к турбонагнетателю (TDI); 16 – полый винт, 20 Нм; 17 – крышка, 25 Нм; 18 – уплотнительное кольцокруглого сечения; 19 – фильтрующий элемент масляного фильтра |
Снятие
| Порядок выполнения | |||||||
|
Установка
| Порядок выполнения | ||||||||||||||
|
Видео про «Снятие и установка масляного поддона» для Volkswagen Golf IV
Замена картера на Golf 4 1,9 Tdi (AGP или AHF)
ЗАМЕНА МАСЛЯНОГО НАСОСА /// VOLKSWAGEN GOLF 5 /// 1.4tsi /// 2008
Гольф 4 замена поддона
Для просмотра онлайн кликните на видео ⤵

Снятие поддона двигателя awm фольксваген пассат кузов б5. Самое подробное видео. Подробнее

ВСЕ НЮАНСЬІ СНЯТИЯ И РЕМОНТА ПОДДОНА ПАСАТ Б5 АУДІ А4 Подробнее

Снятие/замена поддона / картера двигателя volkswagen passat B5 двигатель 1.6 AHL.в домашних условиях Подробнее

Замена поддона картера двигателя VW Passat B5+ 1,9TDI с минимумом трудозатрат. Подробнее

Снятие масляного поддона Passat B5 ATJ Подробнее

Замена поддона (картера), замена масленого датчика, замена подушки на Volkswagen passat B5 1.8 turbo Подробнее

Замена масляного поддона. Пассат Б5+ / Passat B5+ Подробнее

Снятие передней стойки, на Passat B5,замена пружины. Подробнее

Volkswagen Passat 1.8т замена поддона . Подробнее

замена переднего упора двигателя фольксваген пассат б5 1.8 т без снятия бампера WV Passat B5+ Подробнее

Снятие поддона картера Фольксваген б5 . Пробил поддон. Ремонт поддона. Подробнее

Замена поддона картера и его прокладки на ВАЗ 2101-ВАЗ 2107

На сегодняшний день многим людям уже известна такая вещь как поддон картера, но далеко не все знают что же это на самом деле такое, когда его нужно менять и как его правильно заменить на автомобилях «классического» семейства — эти вопросы мы сегодня и разберём.
Для замены поддона и его прокладки, вам будет нужно заранее подготовить некоторые вещи: Во-первых обязательно запаситесь гаечными ключами, или же вместо них можно использовать удлинитель, карданные шарниры и накидные головки!
Где находится поддон картера и его прокладка?
Поддон располагается в самом низу двигателя автомобиля, к сожалению для того чтобы полностью увидеть поддон необходимо снять защиту картера, что и сделано на рисунке ниже:

Синей стрелкой указан прокладка, которая стоит между блоком цилиндров и картерным поддоном!
Когда нужно менять поддон картера и его прокладку?
Поддон подлежит замене при деформации, в связи с которой из самого поддона начало вытекать моторное масло которое в нём располагалось.
Прокладка поддона подлежит замене при сильном обжатии и при разорванности, как это понять спросите вы? Обычно при деформации прокладки, через неё начинает течь моторное масло, но течь так же лечится обычным подтягиванием болтов которые крепят поддон картера, но в том случае если подтягивание болтов не дало никаких результатов и течь не прекратилась, то в таком случае замените прокладку на новую.
Как заменить поддон картера и его прокладку на ВАЗ 2101-ВАЗ 2107?
Не всегда этот способ подходит людям для того чтобы снять поддон с автомобиля, потому что не у всех есть предметы которые этому по способствуют, поэтому в самом конце статьи размещён видео-ролик в котором без использования специальных средств показывается порядок снятия и замены поддона и прокладки!
- Прежде чем начать работу, загоните свой автомобиль на смотровую яму.
- Затем снимите защиту картера с автомобиля. (Как снять защиту, см. в статье: «Замена защиты картера»)
- После чего полностью слейте моторное масло, из двигателя автомобиля. (Как слить масло, см. в статье: «Замена масла в двигателе»)
- Следом отверните с обоих крайних сторон по две гайки которые крепят правую и левую подушку подвески двигателя к поперечине.

Далее установите поверх моторного отсека «Травесу» она указана цифрой «1» на фото, и после чего начните затягивать гайку под цифрой «2» и тем самым поднимите двигатель у автомобиля.

Примечание! Поднимать двигатель нужно до того, пока концы обоих шпилек под цифрой «1» не совпадут с плоской частью кронштейнов опор двигателя, которые указаны под цифрой «2»!

Теперь с помощью гаечного ключа или же удлинителя с шарниром и накидкой головкой, отверните «19» болтов за счёт которых поддон крепится к двигателю.
Снятие и установка поддона картера Пассат Б5
Автомобиль Volkswagen Passat B5 2.0 2002 г.в. наехал на какой-то камень и в поддоне образовалась трещина. Масло моментально всё вытекло с двигателя и машину пришлось тянуть на буксире. Образование трещин на поддоне картера неприкрытого защитой двигателя — это распространенная проблема всех водителей, ездящих по нашим дорогам. Где-то ямка, а где-то бугорок и с поддона уже вытекает масло.
От данной проблемы помогает защита двигателя, хотя стопроцентной гарантии всё равно нет. Если сильный удар, то и через защиту появиться трещина.
На двигателе 2.0 Пассат Б5 поддон сделан из алюминия. Для его восстановления нужен аргон и сварщик-аргонщик. Для снятия поддона необходимо будет приподнять двигатель и приопустить подрамник. В домашних условиях выполнить эту работу довольно сложно. Но фотоинструкция, если собрались проделывать подобную работу, поможет справиться и своими руками.
Устройство масляного поддона
Поддон имеет корытообразную форму, определяемую как размещёнными внутри агрегатами, так и возможностью вытяжки применяемой стали, общей технологичностью изготовления. Поддон прикрепляется к картеру (блок-картеру) на болтах (чугунный блок), либо шпильках (алюминиевый блок); для уплотнения стыка устанавливается цельная или сборная прокладка из резины, пробки или картона. Во многих новых конструкциях двигателей прокладка поддона отсутствует, уплотнение осуществляется герметиком.
Материал поддона
Основные применяемые материалы — низкоуглеродистая сталь, алюминиевый сплав.
- Большинство двигателей имеет поддон, получаемый глубокой вытяжкой из стального листа марок 08кп (ранее), 03ХГР, 06ХГСЮ, либо другой малоуглеродистой, отвечающей необходимым требованиям к глубине вытяжки (глубокая, весьма глубокая, весьма особо глубокая). Глубина вытяжки, определяется конструкцией (формой и объёмом) поддона. Преимуществами стали является дешевизна и сопротивление ударам, недостатками — корродируемость, низкая жёсткость стыка с блоком, невозможность придания произвольно заданной формы.
- Алюминиевые поддоны получают обычно литьём из алюминиево-магниевых либо алюминиево-кремниевых сплавов. Им можно придать любую необходимую форму, в том числе снабдить рёбрами для жёсткости и охлаждения. При равной массе поддон из алюминиевого сплава имеет большую жёсткость и прочность, однако при ударах может разрушаться хрупко (силумины). Поддоны из алюминиевого сплава не нуждаются в окраске, и придают двигателю хороший вид; также увеличивают теплоотдачу в воздух благодаря высокой теплопроводности и наличию рёбер. В двигателях небольшой мощности этого достаточно для устранения масляного радиатора и/или водомасляного теплообменника, при поддержании нужной температуры масла.
Форма и объём
Как правило, поддон образует вместе с картером кривошипную полость двигателя, поэтому необходимая глубина поддона и его объём определяется расстоянием от оси коленвала до плоскости разъёма, радиусом кривошипа и размером кривошипной головки шатуна, а также количеством масла в системе. Объём должен быть таков, чтобы находящееся в поддоне масла не подхватывалось вращающимися деталями (кривошипы и шатуны) во всём интервале допустимых углов наклона двигателя. В противном случае это приведёт к большому вспениванию и расходу масла, а также возможному снижению давления масла в системе, с соответствующими последствиями (выплавление вкладышей). Увеличение высоты поддона и уменьшение расстояния от оси коленвала до плоскости разъёма уменьшает массу двигателя, но снижает жёсткость блока; таким образом, форма и объём поддона зависят от заданной разработчиком прочности и жёсткости картера (блок-картера, блока цилиндров — смотря по конструкции). Во избежание избыточного вспенивания и переливания масла, поддон обычно имеет внутреннее оребрение (алюминиевые/пластмассовые), либо внутренние перегородки (приваренные к стальному поддону).
Что такое сухой картер
Название «сухой картер означает то, что в нем нет масла, как в обычном картере, который служит резервуаром для сбора и хранения масла. В двигателе с сухим картером масло также стекает в поддон, но масляные насосы выкачивают масло из картера в специальные масляные резервуары. Такая система смазки двигателя зарекомендовала себя на спортивных, гоночных автомобилях, и внедорожниках.
Устройство двигателей с сухим картером
Устройство двигателей с сухим картером используются на автомобилях с повышенными динамическими и инерционными нагрузками, из-за которых масло в обычном картере очень сильно плескалось бы и пенилось.
Снятие и установка масляного поддона Volkswagen Passat B5
Инструкция подходит под бензиновые двигатели AWT 1.8, AZM 2.0 л.
Снятие 1. Установите переднюю балку моторного отсека в сервисное положение. 2. Слейте моторное масло. 3. Отверните болты (стрелки) (30 Нм) и снимите упор двигателя (1) (рис. 2.5).
| 4. Отцепите от фиксаторов (стрелки) держатель (1) жгута проводки стартера (рис. 2.84). |
5. Отсоедините сливной маслопровод турбонагнетателя от масляного поддона. Момент затяжки: 10 Нм.
| 6. Отверните болты (стрелки) кронштейна (1) трубопровода (рис. 2.85). |
7. Отсоедините разъем проводки датчика уровня и температуры масла.
| 8. Пометьте положение болтов (1) (25 Нм) и втулок (2) на левой и правой опорах двигателя (рис. 2.86). Отверните болты обеих опор двигателя. На автомобилях с двигателями 2.0 л снимите заднюю опору (25 Нм) впускного воздухопровода (сторона маховика). |
| 9. Установите стойку для вывешивания двигателя MP 9-200 (рис. 2.87). Снимите траверсу MP 9-201. |
10. Установите штифт (1) обратно в центральное устройство траверсы и закрепите его шплинтом. 11. Закрепите петлю траверсы MP 9-201 на шпинделе стойки MP 9-200. 12. Закрепите крюки траверсы MP 9-201 за подъемные проушины двигателя. Закрепите крюки при помощи вильчатых стопоров. 13. При помощи шпинделя стойки приподнимите двигатель примерно на 20 мм.
| 14. Подоприте подрамник передней подвески подъемником V.A.G 1202 А (рис. 2.88). |
| 15. Отверните сначала передние болты (2 и 3) правого и левого кронштейнов опор двигателя (рис. 2.89). Отверните болты (4). Момент затяжки: 25 Нм. |
| 16. Отверните гайку (стрелка) левой опоры коробки передач до конца резьбы болта (примерно 4 витка резьбы) (рис. 2.90). Момент затяжки: 40 Нм. |
| 17. Отверните задний болт (2) левой опоры коробки передач на несколько оборотов и полностью отверните болт (1) (рис. 2.91). Момент затяжки: 27 Нм. |
| 18. Отверните задний болт (2) правой опоры коробки передач на несколько оборотов и полностью отверните болт (1) (рис. 2.92). Момент затяжки: 27 Нм. |
19
Осторожно опустите подрамник передней подвески подъемником V.A.G 1202 А (рис. 2.88).
20. Отводя гаражный подъемник, сместите стабилизатор поперечной устойчивости вниз. 21. Отверните болты крепления масляного поддона. Примечание. Для отворачивания и затягивания внутренних задних болтов крепления масляного поддона воспользуйтесь ключом 3185; для отворачивания болтов применяйте ключ с внутренним шестигранником 3249.
| К обоим задним болтам крепления поддона доступ возможен через выемки в маховике (стрелка) (рис. 2.93). Для этого необходимо соответствующим образом прокрутить коленчатый вал. |
22. Отделите масляный поддон. При необходимости высвободите поддон легкими ударами резинового молотка. 23. Сместите поддон влево, переместите левую часть подрамника передней подвески вниз и снимите масляный поддон. 24. Плоским скребком удалите остатки герметика с блока цилиндров.
| 25. Удалите остатки герметика с фланца масляного поддона при помощи дрели с насадкой с пластмассовой щеткой (рис. 2.94). |
26. Очистите уплотняемые поверхности от остатков масла.
| 27. Отрежьте по передней метке наконечник тюбика с герметиком (диаметр отверстия: примерно 3 мм) (рис. 2.95). |
28. Наносите полосу герметика толщиной 2-3 мм на чистую поверхность фланца масляного поддона. Полоса герметика должна проходить с внутренней стороны отверстий под болты (стрелки).
| 29. Нанесите герметик по всему периметру поддона указанным образом (рис. 2.96). В указанных местах (стрелки) в блоке цилиндров имеются отверстия; проследите, чтобы герметик не попал в них. |
30. Перед установкой поддона вставьте вертикально в отверстия болты М10. 31. Установите масляный поддон и затяните болты крепления от руки. 32. Затяните крест-накрест болты М7 крепления масляного поддона. Момент затяжки: 15 Нм. 33. Затяните крест-накрест болты М10 крепления масляного поддона. Момент затяжки: 45 Нм. 34. Затяните болты крепления масляного поддона/коробки передач. Момент затяжки: 45 Нм.
Примечание. После установки поддона необходимо выждать не менее 30 минут перед заправкой моторного масла.
35. Дальнейшая установка проводится в порядке, обратном снятию. 36. Установите подрамник передней подвески.
Источник
Штамповка
Материалом служит листовая сталь, обладающая требуемой вязкостью, чтобы картер при ударе о твердый предмет: камень, бордюр, торчащий из земли пень, приобрел бы только вмятину, но не треснул или раскололся.
Масляный поддон двигателя имеет форму продолговатой емкости. С одной стороны обычно имеется дополнительное углубление, цель которого состоит в том, чтобы всасывающий патрубок маслоприемника располагался в самом низком месте картера и был гарантированно погружен в масло. Иначе, при наклоне автомобиля во время движения маслозаборник может оказаться оголенным, и подача моторного масла нарушится.

Сверху детали по всему контуру отогнута кромка, в которой сделан ряд отверстий для крепления поддона к блоку цилиндров. Для уплотнения при сборке применяется прокладка сложной конфигурации, либо используют герметик.
В самой нижней точке поддона приварена бобышка с резьбовым отверстием для сливной пробки. Последние бывают с конической резьбой, не требующей дополнительного уплотнения, либо с мелкой цилиндрической и буртиком для установки уплотнительного кольца.
На внутреннем торце часто устанавливают магнитный наконечник для сбора и удаления металлического шлама, образующегося при взаимодействии пар трения контактирующих деталей.
Конструкции и назначение
Масляный поддон двигателя играет роль смазочного бака и защитного ограждения коленчатого вала, и выполняет несколько задач:
- сбор и хранение масла, стекающего с деталей шатунно-поршневой группы (ШПГ);
- предохранение моторной смазки от расплескивания при движении автомобиля;
- защита смазочного материала от внешней среды (пыль, грязь, песок, вода и т. д.);
- охлаждение моторного масла;
- сбор продуктов износа пар трения ШПГ и шеек коленвала;
- ограждение внутренних деталей мотора от окружающей среды.
Конструктивное исполнение узла зависит от компоновки моторного агрегата, технических традиций и технологических возможностей компании, и бывает весьма многообразным. Наиболее распространены штампованные, литые и комбинированные конструкции. Рассмотрим их подробнее.
Как самостоятельно снять поддон
Каких-либо сложностей замена поддона двигателя не представляет.
- Машину следует поставить на ручной тормоз. Задние колеса дополнительно зафиксировать от качения любыми подручными средствами: обрезками досок, обломками кирпича и так далее.
- Снять с аккумулятора минусовой провод во избежание случайного запуска двигателя.
- Поочередно вывесить домкратом передние колеса и поставить под пороги надежные подставки. Лучше всего для этой цели подходят регулируемые винтовые опоры.
- Подвесить двигатель, используя цепной подъемник, закрепленный на несущей конструкции потолка.
- Снять экран дополнительной защиты картера.
- Демонтировать детали, мешающие удалению поддона (среднюю балку двигателя, стабилизатор поперечной устойчивости или другие). Отсоединить приемную трубу глушителя.
- Отвернуть пробку и слить из картера моторное масло в подставленную снизу емкость, сняв перед этим крышку маслозаливной горловины.
- После того, как масло перестанет капать, можно приступать к отвинчиванию винтов крепления поддона с помощью сменных головок и трещотки.
После снятия поврежденный поддон можно выправить молотком на жесткой металлической плите. Проверьте состояние маслоприемника. Если он погнут, и выправить его затруднительно — купите новую деталь. Сборку производите в обратной последовательности. Прокладку поддона нужно установить новую.
В заключение напомним, что поддон двигателя — как то яйцо, в котором была спрятана смерть Кощея. Берегите тонкое подбрюшье автомобильного движка. Не уподобляйтесь капитану морского судна, посадившего по халатности свой корабль на прибрежные камни. Устранение последствий аварии — хотя и не сложный процесс, но довольно затратный, и требует немалого времени.
Снятие и установка поддона картера Volkswagen Sharan
Поддон картера может быть снят с двигателя установленного на автомобиле. Снятие поддона картера проводится в следующем порядке:
|
|
Рис. 166. Система смазки 2,0-литрового двигателя: 1 — прокладка, замените на новую; 2 — крышка маслоналивной горловины; 3 — щуп для проверки уровня масла; 4 — направляющая трубка щупа для проверки уровня масла; 5 — переключатель давления масла на 25 кПа; 6 — переключатель давления масла на 180 кПа; 7 — обратный клапан, 5 Н·м; 8 — заглушки; 9 — гайка, 25 Н·м; 10 — основание масляного фильтра; 11 — O-образное уплотнительное кольцо, всегда на замену; 12 — масляный радиатор; 13 — масляный фильтр; 14 — шестерня масляного насоса; 15 — крышка масляного насоса с редукционным клапаном; 16 — болт, 10 Н·м; 17 — болт, 20 Н·м; 18 — болт крепления масляного картера; 19 — уплотнительное кольцо, замените; 20 — пробка отверстия для слива масла; 21 — масляный поддон; 22 — прокладка, замените на новую; 23 — маслоприемник; 24 — масляный направляющий щиток; 25 — прокладка, замените на новую |
— отверните пробку 20 (см. рис. 166) отверстия для слива масла и полностью слейте из двигателя моторное масло в заранее подготовленную емкость;
|
Примечание Утилизировать старое моторное масло следует в соответствии с правилами охраны окружающей среды. |
— снимите защиту картера двигателя;
— отверните болты 18 крепления и снимите поддон картера 21 вместе с прокладкой 22.
|
Примечание На 2,0-литровом двигателе тяжело добраться до болтов крепления масляного поддона, расположенных со стороны маховика. На СТО для этого используются специальные ключи для болтов 3249 и 3185. |
Установку поддона картера проводите в последовательности, обратной снятию, при этом соблюдайте следующие моменты:
— старую прокладку поддона всегда заменяйте на новую. Следите, чтобы прокладка не сдвинулась при установке;
— перед установкой нанесите на поверхности соприкосновения масляного поддона и блока цилиндров герметик «D2»;
— равномерно крест-накрест затяните болты крепления поддона картера. Болты с шестигранной головкой затягиваются моментом 20 Н·м (двигатель 2,0 л) или моментом 15 Н·м (двигатель VR6);
— залейте в двигатель 5,5 л моторного масла, если снимался масляный фильтр;
— если масляный фильтр не снимался, то залейте 5,0 л масла.
Видео про «Снятие и установка поддона картера» для Volkswagen Sharan
Volkswagen Passat B3, B4. Замена прокладок масляного теплообменника и поддона картера
Снятие поддона двигателя awm фольксваген пассат кузов б5. Самое подробное видео.
Замена поддона VW Passat B5 , Audi
Тема: Снимаем поддон на AWM
Опции темы
Поиск по теме
Pointer
| Спасибо: |
| Получено: 1 Отправлено: 1 |
Pointer
| Спасибо: |
| Получено: 1 Отправлено: 1 |
Кстати, прикол. Я когда у себя первый раз снимал поддон, то вывернуть эти болты не смог по причине того, что они не проходили в вырезы.
Коленва продольный люфт имеет, можно просто сдвинуть КВ, этих десяток как раз хватает.
Pointer
| Спасибо: |
| Получено: 1 Отправлено: 1 |
Pointer
| Спасибо: |
| Получено: 0 Отправлено: 0 |
Ты бы конкретнее расписал, что и откуда у тебя не выкручивается.
Pointer
| Спасибо: |
| Получено: 0 Отправлено: 0 |
Он маленький возле шкива,доступ хороший,вот только сверло нужно длинное.
Pointer
| Спасибо: |
| Получено: 1 Отправлено: 1 |
Lupo
| Спасибо: |
| Получено: 9 Отправлено: 0 |
1.сколько у тебя герметика ушло, одного тюбика хватило? 2.болты лучше поменять при снятии(замене) поддона? если да, сколько их там и каких размеров нужно брать
Одного тюбика на 4 поддона хватает. А болты то зачем менять?
Pointer
| Спасибо: |
| Получено: 1 Отправлено: 1 |
Смотря чем откручивать. Если китайскими суперголовками, по рублю за килограмм-то да. Если нормальным инструментом-то ничего не случится.
Lupo
| Спасибо: |
| Получено: 9 Отправлено: 0 |
понял, спасибо да парутройку болтов надо в запас, чтобы при разборе не дергали, даже если один «слижет» уже замена будет
парни не в курсе, чем можно в поддоне отверстие для датчика уровня масла заглушить? а то датчика нет в двигателе, а поддон с отверстием для него есть.
Pointer
| Спасибо: |
| Получено: 1 Отправлено: 1 |
понял, спасибо да парутройку болтов надо в запас, чтобы при разборе не дергали, даже если один «слижет» уже замена будет
парни не в курсе, чем можно в поддоне отверстие для датчика уровня масла заглушить? а то датчика нет в двигателе, а поддон с отверстием для него есть.
как нет, а у меня есть датчик.





































