Подключение вольтметра через дополнительное реле
Самый правильный (с технической точки зрения) способ подключения вольтметра для любого мотоцикла – использование дополнительного реле. Для такого метода понадобятся:
- любое 4-х или 5-ти контактное автомобильное реле (например, 90.3747-10 стоимостью 70÷100 рублей);
- переходная колодка (цена 40÷60 рублей);
- провода, изоляционная лента, пластиковые хомуты.

Схема подключения проста:
- контакт реле 86 подсоединяем к коммутируемому «+» замка зажигания;
- контакты 30 и 85 – к «–» аккумуляторной батареи или корпусу;
- контакт 87 – к минусу измерительного прибора (черный провод);
- красный провод вольтметра подсоединяем к «+» аккумуляторной батареи.

Теперь при включении зажигания будет срабатывать реле и через замкнутые контакты (30 и 87) вольтметр будет подключаться к аккумуляторной батарее.
Для успешного контроля за состоянием заряда аккумулятора важно знать, как подключить вольтметр в машине и как расшифровать его показания. Со времени появления автомобилей, оборудованных бортовым компьютером, необходимость в отдельном вольтметре отходит на задний план, ведь он не обеспечивает полного мониторинга всех электрических узлов машины
Актуальность устройства определяется также необходимостью постоянного наблюдения заряда аккумулятора, что особенно важно в зимний период. В случае резкого падения показаний вольтметра появляется возможность принять соответствующие контрмеры и избежать непредвиденной остановки двигателя.
Вольтметр –, полезное устройство для автомобилей, не имеющих бортового компьютера. С помощью него можно следить за состоянием заряда аккумулятора.
Как правильно подключить вольтметр
Тот, кто не знает, но хочет проверить напряжение на каком-то участке электрической сети, должен задаться вопросом – как подключить вольтметр? Это на самом деле серьезный вопрос, в ответе которого лежит простое требование – подключение вольтметра необходимо проводить только параллельно нагрузке. Если будет произведено последовательное подключение, то сам прибор просто выйдет из строя, и вас может ударить током.
Читать также: Точим ножовку по дереву видео

Все дело в том, что при таком соединении уменьшается сила тока, действующая на сам измерительный прибор. При этом сопротивлении его не меняется, то есть, остается большим. Кстати, никогда не путайте вольтметр с амперметром. Последний подключается к цепи последовательно, чтобы снизить показатель сопротивления до минимума.
И последний вопрос темы – как пользоваться вольтметром, изготовленным самостоятельно. Итак, в вашем приборе два щупа. Один подключается к нулевому контуру, второй к фазе. Так же можно проверить напряжение через розетку, предварительно определив, к какому гнезду запитан ноль, а к какому фаза. Или соединяете параллельно прибор к измеряемому участку. Стрелка измерительного блока покажет величину напряжения в сети. Вот так пользуются этим самодельным измерительным прибором.
Рассмотрены не сложные схемы цифровых вольтметра и амперметра, построенных без использования микроконтроллеров на микросхемах СА3162, КР514ИД2. Обычно, у хорошего лабораторного блока питания есть встроенные приборы, – вольтметр и амперметр. Вольтметр позволяет точно установить выходное напряжение, а амперметр покажет ток через нагрузку.
В старых лабораторных блоках питания были стрелочные индикаторы, но сейчас должны быть цифровые. Сейчас радиолюбители чаще всего делают такие приборы на основе микроконтроллера или микросхем АЦП вроде КР572ПВ2, КР572ПВ5.
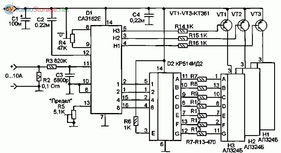
Принципиальная схема амперметра
Схема амперметра показана на рисунке 2. Схема практически такая же, за исключением входа. Здесь вместо делителя стоит шунт на пятиваттном резисторе R2 сопротивлением 0,1 От. При таком шунте прибор измеряет ток до 10А (0. 9.99А). Установка на ноль и калибровка, как и в первой схеме, осуществляется резисторами R4 и R5.
![]()
Рис. 2. Принципиальная схема цифрового амперметра до 10А и более на микросхемах СА3162, КР514ИД2.
Выбрав другие делители и шунты можно задать другие пределы измерения, например, 0. 9.99V, 0. 999mA, 0. 999V, 0. 99.9А, это зависит от выходных параметров того лабораторного блока питания, в который будут установлены эти индикаторы. Так же, на основе данных схем можно сделать и самостоятельный измерительный прибор для измерения напряжения и тока (настольный мультиметр).
При этом нужно учесть, что даже используя жидкокристаллические индикаторы прибор будет потреблять существенный ток, так как логическая часть СА3162Е построена по ТТЛ-логике. Поэтому, хороший прибор с автономным питанием вряд ли получится. А вот автомобильный вольтметр (рис.4) выйдет неплохой.
Питаются приборы постоянным стабилизированным напряжением 5V. В источнике питания, в который будут они установлены, необходимо предусмотреть наличие такого напряжения при токе не ниже 150mA.
Амперметр. Измерение силы тока — видео
Водители легковых и грузовых автомобилей интересуются, как подключить амперметр и вольтметр в машине. Необходимость установки этих индикаторов объясняется желанием иметь полный контроль над состоянием аккумуляторной батареи и генераторной установки. Большинство современных машин и ранее выпущенных не имеют таких индикаторов установленных заводом изготовителем. Правда, в автомобилях с бортовыми компьютерами, имеется возможность контроля напряжения в цепях машины, в остальных моделях установкой приборов занимаются владельцы.
Как подключить амперметр и вольтметр в машине особенно интересен для владельцев авто с пробегом, так как многие узлы и агрегаты, в том числе и генераторная установка, уже порядком поизносились, поэтому могут работать с нарушениями. Контрольная лампа сигнализирует только об отсутствии бортового напряжения, а этого явно недостаточно. Так, например, если вовремя не заметить повышенное напряжение зарядки аккумулятора, это может привести к выходу его из строя.

О выполняемых функциях этих указателей
Каждый контрольный или измерительный прибор, установленный в панели приборов машины, информирует водителя о работоспособности определённой системы автомобиля. Это позволяет эксплуатировать машину без ущерба для её технического состояния. Однако система электроснабжения многих автомобилей лишена возможности для такого контроля. Владельцы машин пытаются самостоятельно решить такие проблемы установкой амперметра или вольтметра, а некоторые владельцы устанавливают оба этих указателя.
Амперметр, установленный в электрическую цепь, будет показывать потребляемый системой электрический ток. По этим данным можно судить о процессе зарядки аккумулятора и своевременно выявить и устранить возникшие проблемы. Вольтметр также позволяет держать этот процесс под контролем водителя, чем повышается срок службы электрооборудования. Вот основные причины установки этих приборов на автомобиль.

Какие изделия используют?
Некоторое время назад найти и установить такой прибор, было большой проблемой. Автолюбители устанавливали на свои машины амперметры от грузовых автомобилей, а те водители, которые были на «вы» с радиоэлектроникой, сами подбирали измерительные приборы. Первыми отечественными машинами, у которых вольтметр занял своё постоянное место на приборном щитке, была ВАЗ 2105, а несколько позже они появились и на других моделях.
Сегодня такой проблемы не существует, так как имеется большой выбор таких изделий в торговых сетях. Можно установить в панель электронные часы, которые одновременно с текущим временем показывают напряжение бортовой сети. Встречаются электронные тахометры, которые после нажатия нужной кнопки выполняют функции вольтметра. Такие устройства особых проблем не вызывают у владельцев.
Также сегодня в продаже имеются автомобильные амперметры и вольтметры, а отдельные водители самостоятельно подгоняют приборы, которые применяют в радиоэлектронных устройствах. Установка таких указателей сопряжена с некоторыми трудностями, так как нужно подбирать шунты к ним, производить калибровку или изготовление новых шкал. Поэтому на этом останавливаться не будем.
Как установить такие индикаторы? Будем считать, что вам удалось приобрести амперметр или вольтметр предназначенные для применения в автомобилях, теперь рассмотрим процесс их установки. Следует напомнить особенности подключения их в электрические цепи.
Амперметр подключается только последовательно между источником тока и потребителями, при этом обязательно соблюдается полярность подключения, плюс от источника к плюсу прибора и так далее. Вольтметр подключается только параллельно к источнику питания, также при соблюдении полярности.

Подключаем амперметр
Начнём с того, что работу можно начинать только после отключения аккумулятора. Через это устройство протекает значительный ток, поэтому нужно подобрать провода соответствующего сечения. Его следует подключить в разрыв провода, который подаёт питание на замок зажигания. На концы проводов следует установить и обжать клещами наконечники, в противном случае из-за плохого контакта будет происходить нагрев места соединения.
После установки проводов следует проверить правильность подключения. Для этого следует включить нагрузку, например ближний или дальний свет. Амперметр должен показать разряд, если он покажет противоположное значение, тогда следует поменять провода подключения местами. Далее следует запустить двигатель и убедиться в том, что происходит зарядка аккумуляторной батареи.
Как правильно выбрать и где купить вольтметр
Выбор, прежде всего, зависит от цели. Для постоянного контроля электросети следует выбрать встроенное устройство со стационарным подключением. Проверить исправность аккумулятора и генератора периодически можно и измерителем, вставляемым в прикуриватель. Для профессионального наблюдения за параметрами бортовой сети нужен мультиметр с широким набором функций.
Важное значение могут иметь:
- внешний вид устройства;
- яркость подсветки;
- цвет индикаторов.
Полезным дополнительным функционалом измерителя напряжения можно считать амперметр.
По показаниям силы в амперах можно установить наличие или отсутствие утечки тока.
Выбор модели вольтметра
Схема цифрового вольтметра.
Современный рынок устройств для автомобилей предлагает широкий выбор моделей вольтметров. Наибольшей популярностью пользуются такие типы приборов:
- аналоговые «стрелочные» вольтметры –, устанавливаются преимущественно на отечественные автомобили, подключаясь к приборной панели вместо часов,
- цифровые датчики, подключаемые к гнезду прикуривателя,
- цифровые вольтметры, монтируемые в приборную панель.
Чаще всего используются последние два типа приборов, так как они сочетают в себе современный внешний вид, точность показаний и простоту установки.
Максимально соответствующие реальности результаты измерений предоставляют вольтметры, подключаемые непосредственно в приборную панель
Хотя их монтаж иногда сопряжен с некоторыми трудностями, но установив их, вы сможете получить постоянный контроль состояния аккумулятора, что особенно важно при большом количестве подключаемых узлов.вольтметр автомобильный. Для повышения точности вольтметра рекомендуется выбирать те модели, в которых для показаний напряжения отведено 4 разряда
Так вы сможете снимать значения вплоть до сотых долей вольта
Для повышения точности вольтметра рекомендуется выбирать те модели, в которых для показаний напряжения отведено 4 разряда. Так вы сможете снимать значения вплоть до сотых долей вольта.
Как установить вольтметр в салоне
- Подключение должно обеспечивать измерение напряжения в сети, в том числе и когда все потребители отключены;
- Прибор не обязательно располагать на виду, ведь контроль нужен лишь периодический;
- Обязательно позаботьтесь, чтобы провода, идущие к вольтметру, были надежно защищены от повреждений и замыкания на массу автомобиля;
- В идеале вольтметр должен быть подключен непосредственно к клеммам аккумулятора, ведь важнее всего контролировать напряжение именно на нем;
- Самым удобным местом для подключения вольтметра обычно бывает розетка прикуривателя, и это вполне приемлемый вариант;
- Если вы не уверены в том, что сможете безопасно подключить вольтметр, обратитесь к профессиональному электрику.



Стрелочные приборы порой кажутся старомодными, но с них легче считывать информацию
Плату помещают в подходящий по размерам корпус и закрепляют винтами. Тут же необходимо предусмотреть место для аккумулятора и установку гнезда для подзарядки. На переднюю панель выводятся клеммы подключения измерительных щупов и рабочие оси переменных резисторов. Снаружи корпуса устанавливается и индикатор показаний результатов.
Самодельный вольтметр на СА31162 в особой настройке не нуждается. Резистором R4 на приборе калибруется «ноль» при аналогичной величине Uвх. Резистором R5 калибруют пределы измерения по заранее известной величине Uвх.
Самодельная конструкция цифровых вольтметров, выполненная на качественных компонентах, не уступает заводским изделиям. Аналогичные схемы можно собрать на АЦП типа КР572ПВ2, КР572ПВ5. Вместо дешифратора на логике ТТЛ, указанного в схеме, допустимо применять детали на логике КМОП (МОП), предварительно согласовав такую сборку с микросхемой АЦП.
голоса
Рейтинг статьи
Особенности девайса

Как сделать электронный светодиодный вольтметр-термометр на микроконтроллере в машину из калькулятора своими руками? Как осуществляется подключение вольметра с амперметром в автомобиле в прикуриватель? Сначала рассмотрим основные особенности автомобильных вольтметров.
Описание
Основное назначение устройства заключается в замере параметра напряжения в автомобильной сети. Аналоговые и ламповые девайсы оборудуются шкалой со стрелочным указателем, но в машину лучше поставить цифровой гаджет. В таких приборах все параметры выводятся на дисплей. Стрелочные девайсы постепенно отходят на второй план, сегодня они являются морально устаревшими (видео опубликовано каналом Китай в SHOPe).
Разновидности
Вольтметры могут быть или стандартными, или комбинированными:
- Ключевой особенностью стандартных вольтметров являются довольно небольшие габариты, это дает возможность поставить девайс абсолютно в любом месте салона в авто. На практике такие устройства чаще всего подключаются к прикуривателю. При таком подключении вольтметр сможет фиксировать напряжения в сети как при заведенном, так и на заглушенном силовом агрегате. В первом случае рабочий параметр должен составить 13.5-14.5 вольт, во втором около 12.5 В.
- Комбинированные устройства. Такие девайсы могут быть также оборудованы тахометрами, амперметрами и даже термометрами. Комбинированные вольтметры считаются более функциональными устройствами, поэтому они более востребованы на рынке.
Сборка электронного вольтметра
Для такого типа устройств рекомендуется использовать программируемые микропроцессоры. Это позволяет существенно упростить конструкцию прибора. При отсутствии навыков программирования можно приобрести чип, который уже имеет прошивку для определения напряжения. Для сборки вольтметра рекомендуют использовать микропроцессор PIC16F676.
Также потребуется индикаторный элемент. В этих целях удобнее использовать электронный циферблат. Можно использовать экран от электронных часов, весов, или других устройств. С микропроцессором PIC16F676 также совместимы жидкокристаллические экраны от калькуляторов.
Для стабильного функционирования процессора и индикаторного элемента потребуется источник постоянного тока. Рекомендуемое выходное напряжение — 5 В. Для питания простого вольтметра ВЧ достаточно элемента питания, сила тока которого не меньше 0.5 ампер.

Оптимальный вариант схемы для изготовления электронного вольтметра представлен выше. Микропроцессор необходимо запрограммировать до момента сборки.

После процедуры необходимо надежно зафиксировать контактные элементы. Если прибор собран правильно, он заработает сразу при подключении источника питания.
Такой прибор можно использовать не только в бытовых условиях. Данный вариант вольтметра можно использовать в автомобиле для определения уровня заряда аккумулятора. В этом случае с устройства снимают собственный элемент питания и устанавливают в разъем прикуривателя. Также аппарат можно подключить к АКБ машины напрямую, предварительно установив плавкий предохранитель.
Как соорудить самодельный вольтметр для машины?
Как своими руками соорудить девайс на светодиодах? Подробное руководство по разработке и подключению этого устройства представлено ниже, для начала рекомендуем узнать описание схемы.
Схема

Для изготовления девайса в соответствии со схемой вы должны как минимум обладать навыками и опытом в сооружении подобных устройств. В противном случае добиться желаемого результата будет непросто. Как вариант, всегда можно приобрести готовый вольтметр в магазине с электроникой для машин. Вы можете ознакомиться с примером разработки девайса на pic16f676 со схемой, в которой предел измерения составляет 50 вольт, этого параметра будет достаточно.
На двух резисторных элементах с маркировкой R1 и R2 устанавливается делитель напряжения, а предназначение резистора R3 заключается в калибровке устройства. Конденсаторный элемент С1 применяется для того, чтобы защитить устройство от импульсных помех, с помощью этого конденсатора также сглаживается входной сигнал. В схеме на pic имеется также устройство VD1, представляющее собой стабилитрон, который используется для того, чтобы ограничить параметр входного напряжения, в частности, речь идет о входе контроллера. Этот элемент очень важен, поскольку без него вход МК может попросту перегореть при скачках напряжения в бортовой сети.
Инвертирующее устройство вольтмера собирается на резисторных элементах R11, R12 и R13, также для нормальной работы инвертора потребуется транзистор VT1. Инвертор используется для зажигания точки на индикаторе устройства. К выходу МК нужно подсоединить индикатор с анодом, при этом желательно, чтобы последний имел низкое потребление тока (автор видео — канал By гараж #229).
Особенности подключения
Прежде чем заняться подключением устройства на контроллере к бортовой сети автомобиля, нужно понять, где будет располагаться место монтажа девайса в салоне. Выберите любое удобное место, чтобы при необходимости вы всегда могли взглянуть на дисплей вольтметра и определить напряжение в сети.
Ниже рассмотрим пример монтажа в торпеду автомобиля ВАЗ 2113 с подсоединением, сам процесс монтажа выглядит следующим образом:
- Итак, сначала вам нужно снять пластмассовую накладку, установленную с правой стороны от контрольного щитка, в частности, она находится над автомагнитолой. Накладка фиксируется при помощи пластмассовых креплений, так что при снятии следует быть максимально аккуратным. Если вы повредите крепления, то придется ставить новые.
- Затем, с помощью электрического лобзика нужно будет проделать отверстие на заглушке. Размеры отверстия должны соответствовать габаритам дисплея прибора. Будьте осторожны, поскольку надо, чтобы девайс оптимально подошел под сделанное отверстие.
- Монтаж прибора производится на задней стороне пластмассовой накладки, сначала устройство необходимо закрепить в посадочном месте, используя канцелярские резинки. Так надо сделать только вначале, поскольку разумеется, все время так ездить вы не сможете. Когда вольтметр будет зафиксирован, на тыльной стороне все образовавшееся пространство нужно будет залить при помощи сантехнического герметика. Вам надо добиться того, чтобы плата была надежно зафиксирована в месте посадки. После того, как герметик высохнет и вольтметр будет держаться, резинки можно убрать.
- Для подключения девайса к электрической сети транспортного средства можно воспользоваться выходом от компьютерного блока питания. Подойдет этот разъем или нет, зависит от вашего девайса, поэтому если штекер не подходит, то придется паять устройство. После того, как подключение будет завершено, пластиковую заглушку на место. Вокруг экрана устройства можно поставить рамку, с помощью которой улучшится вид дисплея. Вам необходимо добиться, чтобы вольтметр не отвлекал вас при движении, так что если яркость дисплея слишком высокая, ее нужно будет снизить. Как вариант, можно затемнить дисплей обычным женским лаком или установить на экран кусок тонировочной пленки.
- Питание вольметра можно взять от аккумуляторной батареи или замка зажигания. В случае с АКБ он будет работать всегда, а во втором — только после включения зажигания. Следует отметить, что второй вариант является более оптимальным, поскольку вы сможете следить за показателями напряжения, при этом не разряжая аккумулятор.
Руководство по изготовлению самодельного вольтметра в авто
Схема

Схема для изготовления автомобильного вольтметра Итак, если вы решили соорудить вольтметр автомобильный из калькулятора, светодиодный из ламп или любой другой, вы должны как минимум разбираться в этой теме. Ламповый вольтметр или вольтметр на светодиодах можно приобрести в любом тематическом магазине автоэлектроники. Но если вы решили все сделать своими руками, то учтите, что просто взять плату и установить ее в авто — не выход, нужна определенные познания в области электроники. Мы рассмотрим пример схемы цифрового девайса в автомобиле, в частности, вольтметр на pic16f676. Ниже приведена схема устройства с пределом измерения 50 вольт, этого вполне достаточно.
На двух резисторах — R1 и R2 — обустроен делитель напряжения, а элемент R3 предназначен для калибровки девайса. Еще один компонент С1 (конденсатор) используется для защиты системы от сигнальных помех, также он позволяет сглаживать входной импульс. VD1 — это стабилитрон, предназначенный для ограничения уровня входного напряжения на входе контроллера, его использование необходимо для того, чтобы вход МК не сгорел, когда напряжение в сети увеличится.
Инвертирующий компонент девайса собран на резисторах R11-R13, а также транзисторе VT1. Инвертор зажигает точку непосредственно на самом индикаторе вместе со вторым разрядом. К МК подключается индикатор с анодом, характеризующийся минимальным потреблением тока. Что касается непосредственно настройки девайса, то она осуществляется при помощи подстроечного резистора R3 (автор видео о том, как своими руками соорудить вольтметр — Руслан К).
Подключение своими руками
Чтобы подключить вольтметр на микроконтроллере в свой автомобиль самостоятельно, для начала следует определиться с местом монтажа. Установка осуществляется в любом удобное для водителя место. В нашем случае мы установим вольтметр в машину в центральную консоль.
Процесс описан на примере автомобиля ВАЗ 2113:
Произведите демонтаж пластиковой накладки справа от панели приборов, над магнитолой. В случае с ВАЗ 2113 эта пластмасса снимается без проблем, крепится она на пластиковых фиксаторах, поэтому при демонтаже будьте осторожны, чтобы не повредить их.
Используя электрический лобзик, вам необходимо прорезать прямоугольное отверстие на заглушке. Вырезайте отверстие в соответствии с размерами дисплея вашего вольтметра — устройство должно идеально подходить для прорезанного отверстия.
С обратной стороны пластиковой заглушки произведите установку девайса. Для начала его можно зафиксировать при помощи обычных канцелярских резинок. Разумеется, ездить так вы не будете, ведь это совсем не эстетично и только испортит вид в салоне авто. Поэтому свободное пространство с обратной стороны необходимо будет залить специальным сантехническим герметиком, чтобы плата хорошо держалась на заглушке. Когда вольтметр схватится, резинки можно убрать.
Чтобы подключить устройство к бортовой сети, можно использовать специальный разъем от блока питания компьютера. Он может подойти, а может и не подойти — если не подошел, придется прибегнуть к пайке. Установите обратно пластмассовую заглушку вокруг дисплея можно дополнительно установить рамку, чтобы улучшить внешний вид экрана
Важно, чтобы вольтметр не отвлекал водителя во время езды, поэтому если свет цифр слишком яркий, с этим необходимо что-то сделать. Можно затемнить экран с помощью обычного лака либо небольшого кусочка тонировочной пленки.
Подключить устройство можно либо напрямую к аккумулятору, чтобы вольтметр функционировал всегда, либо к зажиганию
Второй вариант более приемлемый, в этом случае девайс будет активироваться при включении автомагнитолы, то есть вы всегда сможете следить за состоянием напряжения при включенной аудиосистеме.

1. Вырежьте отверстие под дисплей вольтметра.

2. Залейте систему герметиком в обратной стороны заглушки.

3. Установите заглушку обратно в центральную консоль.






























Пидор!!!!!!!!!