Передний тормозной диск и тормозные колодки
Внимание: Тормозные колодки ВСЕГДА заменять комплектом – 4 шт. (по две на каждую сторону)
Примечание: — Ниже описаны снятие и установка тормозного диска и тормозных колодок с правой стороны. Снятие и установка с левой стороны выполняются аналогичным образом. — Ниже приведен тормозной механизм типа FS-III.
Снятие
1. Вначале проверяем уровень тормозной жидкости в бачке главного тормозного цилиндра. Если он находится на отметке «MAX» или приближается к ней, откачиваем из бачка часть жидкости. В противном случае она польется через край при утапливании поршня колесного цилиндра.
2. Ослабляем колесные болты. Поднимаем автомобиль на подъемнике или домкратом приподнимаем переднюю часть автомобиля и устанавливаем ее на надежные опоры (для этого предварительно затормаживаем автомобиль стояночным тормозом и устанавливаем противооткатные упоры под задние колеса).
3. Отворачиваем колесные болты и снимаем переднее колесо.
4. В зависимости от того, с какой стороны меняем тормозной диск и колодки, поворачиваем колесо до упора вправо или влево. В нашем случае — вправо. Также щеткой по металлу очищаем тормозной механизм от пыли и грязи.
5. Поддеваем отверткой и снимаем резиновые защитные колпачки двух направляющих пальцев тормозного суппорта.
6. Ключом с шестигранником на 7 отворачиваем два направляющих пальца тормозного суппорта.
7. Далее слегка перемещаем поршень колесного цилиндра внутрь цилиндра. Для этого вставляем через отверстие в суппорте отвертку с широким лезвием между тормозной колодкой и диском и опираясь ею на суппорт, сдвигаем ее, утапливая тем самым поршень в цилиндр.
Примечание: При вдавливании поршня следим за уровнем тормозной жидкости в бачке, перетекающая через край жидкость может повредить лакокрасочное покрытие.
8. Отсоединяем тормозной суппорт в сборе с тормозными колодками от поворотного кулака.
Параметры тормозных дисков, применяемых в тормозных механизмах
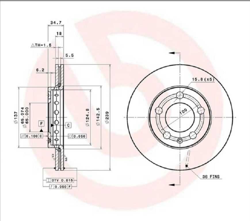
1LB;1LM
Артикул 6Q0615301 (оригинал).
| Тип диска | Вентилируемый |
| Диаметр, мм | 239 |
| Толщина, мм | 18 |
| Толщина минимальная, мм | 16 |

Аналоги:
- VAG 6Q0615301A;
- ATE 2401180137102;
- BENDIX 562307B;
- BOSCH 0986479036;
- BREMBO 09848311;
- Eurorepar 1618888080;
- MEYLE 1155211056;
- TEXTAR 982001068;
- ZIMMERMANN 600321800.
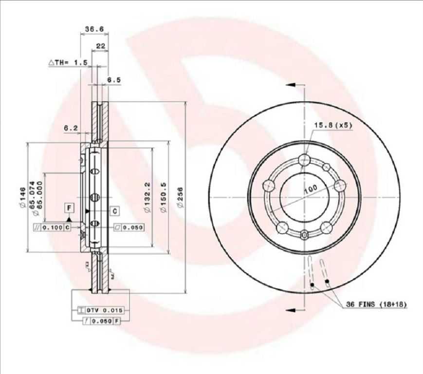
1LQ; 1LR; 1ZG
Артикул 6QD615301.
| Тип диска | Вентилируемый |
| Диаметр, мм | 256 |
| Толщина, мм | 22 |
| Толщина минимальная, мм | 19 |

Аналоги:
- VAG 1J0615301D;
- VAG 5Z0615301B;
- ZIMMERMANN 100123320;
- TRW DF2803;
- ATE 24032201511;
- SWAG 32914404.
Улучшенные аналоги:
- 09.7011.75, слотированный (с канавками на рабочей поверхности для отвода продуктов износа);
- 09.7011.1X, перфорированный.
Braking / Drive Dynamics: для авто с ABS
Артикул 6QD615601A.
| Тип диска | Сплошной |
| Диаметр, мм | 230 |
| Толщина, мм | 9 |
| Толщина минимальная, мм | 7 |

Аналоги:
- VAG 1J0615601C;
- BRILLIANCE 3496009;
- VAG 5QD615601A;
- VAG L6QD615601A;
- ZIMMERMANN 100123653;
- TEXTAR 92082503;
- ZIMMERMANN 100123620.
Улучшенные аналоги:
- 08.7165.75, с насечкой/канавками;
- 08.7165.1X, перфорированный.
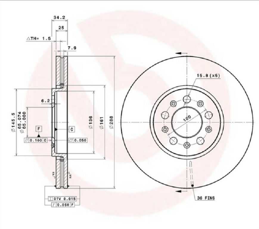
1ZC; 1ZD
Артикул 1J0615301S.
| Тип диска | Вентилируемый |
| Диаметр, мм | 288 |
| Толщина, мм | 25 |
| Толщина минимальная, мм | 22 |

Аналоги:
- VAG 5C0615301A;
- VAG 6R0615301D;
- VAG L6RD615301A;
- ATE 2401250113102;
- BLUE PRINT ADV184309;
- BOSCH 0986479088;
- Eurorepar 1618882980;
- MAGNETI MARELLI 353615830240;
- MEYLE 1155211045PD.
Улучшенные аналоги:
- 09.7010.76, с насечкой/канавками;
- 09.7010.2X, перфорированный.
1KT; 1KV
Артикул 6QD615601.
| Тип диска | Сплошной |
| Диаметр, мм | 230 |
| Толщина, мм | 9 |
| Толщина минимальная, мм | 7 |

Аналоги:
- VAG JZW698601AC;
- VAG L6QD615601A;
- ZIMMERMANN 100123653;
- BRILLIANCE 3496009;
- ZIMMERMANN 100123620.
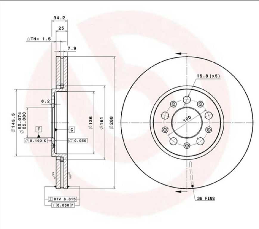
1LN
Артикул 1J0615301.
| Тип диска | Вентилируемый |
| Диаметр, мм | 288 |
| Толщина, мм | 25 |
| Толщина минимальная, мм | 22 |

Аналоги:
- ZIMMERMANN 100123520;
- ZIMMERMANN 100123320;
- TRISCAN 812029173;
- TEXTAR 98200120801;
- QUINTON HAZELL BDC5418HC;
- MOTAQUIP VBD969;
Улучшенные аналоги:
- 09.7010.76, с насечкой/канавками;
-
09.7010.2X, перфорированный.
Замена колодок
Передних
Аналогична многим современным переднеприводным автомобилям:
- Снять колпак колеса.
- Поддомкратив и закрепив машину, снять колесо.
- Для упрощения процесса вывернуть руль в сторону снятого колеса.
- Мощной отверткой отжать колодки от тормозного диска.
- Снять заглушки направляющих.
- Используя шестигранник, выкрутить верхнюю и нижнюю направляющие.
- Снять суппорт,
- При этом колодки снимаются вместе с ним.
- Колодки держатся в суппорте на пружинных защелках, вынуть колодки из суппорта.
- Подготовить новые колодки.
- Установить их на пружинные защелки в суппорт.
- Установить суппорт, при этом концы колодок должны занять указанное положение.
- Закрутить направляющие и установить заглушки.
- Установить колесо и несколько раз качнуть педаль тормоза до появления ощутимого сопротивления.
- Проверить работу тормозов автомобиля.
Задних барабанных
- Снять колпак и, поддомкратив, само колесо.
- В салоне снять крышку декоративной накладки.
- Сама накладка держится на 2 винтах.
- Выкрутить их и приподнять накладку.
- Под ней расположен уравнитель тросов привода ручника, отпустить контрольно-регулировочную гайку уравнителя до ощутимого ослабления тросов.
- Выкрутить фиксирующий винт барабана.
- Снять барабан. Ввиду распространенного закисания барабана на посадочной поверхности ступицы допускается обстукивание молотком, однако при этом необходима аккуратность, так как чрезмерное применение силы может повредить сам барабан, ступицу или её подшипники. Для облегчения снятия возможно применение жидкостей типa WD.
-
Иногда барабан сдвигается со ступицы, но дальше не идет. Как правило, это вызвано выработкой внутренней поверхности барабана и образованием буртика на её нерабочей части, за который цепляются колодки. В таком случае придется сдвигать (сближать) колодки через отверстия для колесных болтов. Используя отвертку, необходимо поддеть и подать вверх клин (см. п. 15) автоматического регулирования зазора колодок, они при этом под действием стяжной пружины должны сойтись.
- Далее процесс показан со снятой с оси ступицей заднего колеса. Однако её снятие не рекомендуется ввиду неизбежного загрязнения посадочных мест подшипников ступицы и необходимости впоследствии затягивать гайку подшипников ступицы определенным моментом, используя динамометрическую ключ с головкой на 30.
- Снять нижнюю пружину колодок.
- Придерживая опорный палец колодки с обратной стороны тормозного щита (“солдатик”), провернуть плоскогубцами и снять пружину опорного пальца, после чего вынуть сам палец с обратной стороны. Повторить для другой колодки.
- Отсоединить трос привода ручника.
- Преодолевая сжатие верхней стяжной пружины, слегка развести колодки в стороны, выводя при этом верхние концы колодок из пазов поршней цилиндра.
- Вынуть колодки в сборе с распорной планкой.
- Отсоединить боковую пружину. Это натяжная пружина того самого клина (п. 8), который нужно подать вверх, преодолевая её сопротивление.
- Снять малую верхнюю пружину.
- Снять верхнюю большую пружину.
- Вынуть распорную планку, запомнив её положение.
- Соединить новые колодки и распорную планку пружинами, большой и малой.
- Установить клин регулятора зазора.
- Установить натяжную пружину клина регулятора.
- Сжав пружину на тросе ручника и зафиксировав в сжатом состоянии плоскогубцами, завести конец троса в паз на нижнем конце планки привода ручника.
- Установить подсобранную конструкцию на тормозной щит, при этом верхние концы колодок должны попасть в соответствующие пазы поршней цилиндра. Для упрощения сами поршни рекомендуется слегка вдвинуть в цилиндр.
- Установить опорные пальцы, вдвинув их с внутренней стороны тормозного щита, поставить фиксирующие пружины и завернуть их на 1/4 оборота.
- Установить нижнюю стяжную пружину.
- Поставить барабан и закрепить его фиксирующим винтом.
- Подтянуть гайку уравнителя тросов ручника в салоне, выжать несколько раз педаль тормоза для выборки зазоров, проверить работу ручного тормоза и легкость вращения барабана в расторможенном состоянии.
- Поставить и закрепить декоративную накладку в салоне.
- Установить колесо.
Читайте далее:
Процедура замены колодок Skoda Rapid: виды и номенклатура
Обзор типоразмеров и процесс замены тормозных дисков Шкода Фабия 2
Номенклатура и замена тормозных дисков Skoda Yeti
Подбор и замена тормозных дисков на Skoda Kodiaq: оригинал, аналоги
Тормозные диски Skoda Rapid: особенности выбора, как поменять
Номенклатура ламп и процедура их замены на Skoda Yeti
Замена передних колодок
Итак, выполнив несколько пунктов инструкции, Вы сможете самостоятельно поменять эти расходные элементы на таком автомобиле как Шкода Фабия:
Замена любых колодок начинается со снятия колеса. Для этого нужно поддомкратить нашу Fabia и снять его, не забыв после этого подставить упор, так как работать с автомобилем на домкрате немного опасно;
Открыв капот, откручиваем крышку на расширительном бачке с тормозной жидкостью, если в нем уровень жидкости высокий, нужно немного убрать её, для этого можно использовать медицинский шприц, например на 20 кубиков;
Перед нами суппорт с тормозными колодками. Что бы его снять, нужно для начала ослабить давление колодок на диск. Делается это с помощью отвертки. Вставляем её в зазор, как показано на фото, и отводим в сторону.
Что бы снять полностью суппорт, нужно открутить два направляющих болта, которые находятся на внутренней стороне и закрыты пыльниками. Поддеваем их отверткой и аккуратно вытаскиваем. Далее, используя шестигранник на 7 мм, откручиваем сначала нижний, затем верхний болты.
Снимаем суппорт вместе с передними тормозными колодками с диска. Здесь нужно быть осторожным и не повредить шланг, не дернуть его или перекрутить.
Еще один нюанс, на всех Skoda Fabia 2-го поколения на левом колесе находится датчик износа, который подключается к разъему. Его необходимо отключить.
Сняв суппорт, можно извлечь из него старые элементы и заменить на новые, но перед этим необходимо полностью вдавить цилиндр. Сделать это можно с помощью специальных приспособлений, или взяв два рычага
После этого, на место старых передних колодок ставим новые, обращая внимание на цвет фиксаторов, черный – это внутренние, а простой – наружные.
Собираем все в обратной последовательности.
Делаем то же самое с другой стороны, после чего проверяем уровень жидкости в бачке и, если он вышел за пределы допустимого, устанавливаем его в нужных пределах.
Садимся за руль и несколько раз нажав на педаль тормоза прокачиваем их.
Таким образом, замена передних колодок на Skoda Fabia произведена. Наглядно весь процесс показан на видео.
Замена задних колодок
Задние тормозные колодки на Skoda Fabia 2-го поколения барабанного типа. Поэтому процедура для их замены будет несколько иная.
- Как описано в первом и втором пунктах выше, снимаем колесо и откручиваем крышку бачка с жидкостью. При необходимости убираем часть жидкости, дабы она не полилась через верх.
- Обязательно снять автомобиль с ручника;
- Снимаем барабан. Для этого откручиваем звездочкой Т27 винтик, который его держит. После чего, через отверстие для болтов с помощью отвертки поддеваем клинышек, который позволит свестись колодкам и барабан сам по себе легко снимется.
- Перед нами открылся доступ к задним колодкам нашей Шкода Фабия. Что бы их снять, нужно отсоединить тросик ручника, расположенный в нижней части, и по бокам есть два держателя. Держатели снимаются поворотом шайбы на 90 градусов, нажимаем на неё пальцами и проворачиваем. Достаем штифт и откладываем в сторонку. Точно так же делаем и со вторым.
- С помощью отвертки, или чего-то подобного, разводим тормозные колодки, что бы они вышли из пазов цилиндра и снимаем их.
- Дальше нужно запомнить размещение всех пружинок и рычажков, а еще лучше взглянуть на фото, что бы собрать все в нужном порядке.
- Собираем все на новые тормозные элементы. В первую очередь на правую ставим распорку и надеваем на неё пружину. Установив компенсатор износа на самый минимум, подсоединяем правую к этому узлу. Ставим пружину, натягивающую компенсатор износа.
- Переворачиваем всю конструкцию и устанавливаем две пружины, верхнюю контровую и нижнюю сводящую.
- Ставим тормозные колодки на свое место, начиная с пазов цилиндра, после чего защелкиваем их снизу.
- Подсоединяем тросик ручника! Если забудете, он не будет работать. Устанавливаем обратно барабан и одеваем колесо. Замена с одной стороны выполнена. С другой делаем все тоже самое.
- В конце не забываем проверить жидкость в бачке, при необходимости выравниваем уровень в допустимых пределах, путем доливания или сливания её. Ну и в самом конце нужно сесть за руль и пару раз надавить на педаль, дабы произвести прокачку системы.
Таким образом, в домашних условиях Вы сами можете проделать все это на Вашей Skoda Fabia. Здесь не нужно никаких специальных навыков, всего лишь понимание процесса и желание все сделать. Полная процедура замены всех четырех комплектов займет по времени примерно два часа, если не спешить и если Вы делаете это впервые. Во второй раз это может быть еще быстрее и даже легче, так как путь полностью известен.
Периодичность этой процедуры как для Skoda Fabia, так и любого другого автомобиля зависит от стиля езды, места езды, качества материалов и многих других факторов. Но признаками того, что пришло время сделать замену, могут послужить звуки в виде визга и скрипа, которые издаются от колес, или звук трущегося металла, свидетельствующий о стирании накладок.
Замена передних тормозных дисков и колодок Skoda Fabia

Статья два в одном! Здесь Вам, и замена передних тормозных колодок, и передних тормозных дисков на Skoda Fabia 1.4 2004. Двойная польза))). Начну как всегда с перечисления поводов для ремонта. Основные причины для замены передних тормозных колодок на Шкоде Фабии полностью такие же, как и для Октавии, и вообще для любого легкового автомобиля – это износ фрикционных накладок до толщины 2-3 мм, отслоение и разрушение накладок колодок, скрежет и писк во время торможения, стук и дребезжание колодок на неровностях (да, такое тоже бывает, и об этой проблеме можно прочитать вот здесь). Тормозные диски тоже изнашиваются (до определенного минимума) или деформируются (вследствие чего появляется вибрация и биение при торможении). И, естественно, их приходится менять. Ну, например, в нашем случае диски пришлось менять из-за достижения минимально допустимой толщины – 19 мм (для Фабии 1.4 с диаметром тормозных дисков 256 мм). Для самостоятельного контроля толщины дисков Вам даже не надо использовать измерительные приборы. Так как завод изготовитель для этих целей предосмотрел специальные контрольные срезы на тормозных дисках, при достижении которых диски следует менять. На фотографии номер 1 плохо конечно, но виден этот срез, точнее, что от него осталось. А на фото 15 можно увидеть, как всё выглядит в идеале. Так же, напомню, что тормозные диски меняются только парой! И вместе с колодками! Поэтому в каком бы состоянии (даже если Вы считаете, что старые колодки в идеальном состоянии) не были бы колодки – с новыми дисками обязательно ставим новые тормозные колодки. Как-то так.

Запчасти для Skoda Fabia 1.4 2004. Для замены были закуплены: передние тормозные колодки LPR 05P730 (фото 2) и передние тормозные диски REMSA 654510 (фото 3)


Инструмент для работы: шестигранник на 7, большая плоская отвёртка, крестовая отвёртка, молоток, смазка для суппортов Bosch Superfit TO 100 (или её аналоги), медная смазка или графитная смазка, щётка по металлу.
И так, теперь приступаем к замене передних тормозных колодок и дисков на Шкоде Фабии 1.4 2004г:
Ставим авто на передачу и ручной тормоз. Под заднее колесо подкладываем башмаки. Ослабеваем затяжку колесных болтов. Подставляем домкрат и поднимаем автомобиль. Окончательно откручиваем колесные болты и снимаем колесо. Снятое колеса для подстраховки подкладываем под машину.
Для удобства выкручиваем рулевое колесо в крайнее левое или правое положение (в зависимости от стороны, на которой работаете).
Используя плоскую отвёртку разводим колодки и поршень тормозного цилиндра, стараемся вдавить поршень до упора (фото 4 и 5)


Снимаем защитные крышечки верхнего и нижнего направляющего пальцев (фото 6)

Используя шестигранник на 7, откручиваем направляющие пальцы (фото 7)

Снимаем суппорт и, преодолевая сопротивление фиксирующих скоб, снимает колодки (фото ![]()

Можно сразу на их место поставить новые колодки
Обращаем внимание, что внутренняя и наружная колодки отличаются друг от друга. На фотографии 9 видно, что на наружной колодке фиксирующие скобы больше, поэтому не путаем их местами

Так как у нас в планах была замена тормозных дисков, то после установки колодок суппорт убираем в сторону (его можно положить на какую-нибудь подставку или, используя проволоку, подвесить его за пружину передней стойки). После этого берёмся за тормозной диск.
Крестовой отвёрткой откручиваем крепёжный винт тормозного диска к ступице (фото 10)

Далее, берём молоток, и уверено, и точно бьём по внутренней части диска (фото 11). Сбиваем диск с посадочного места. Диски частенько прихватывает на ржавчине к ступице, поэтому бить придётся не один раз.

Диск сбит. Щёткой по металлу обрабатываем ступицу (фото 12)

Наносим на ступицу медную или графитную смазку (фото 13)

Устанавливаем новый диск и прикручиваем крепёжный винт (фото 14)

Заодно можем увидеть, как выглядят контрольные срезы на новом диске (фото 15)

Теперь ставим суппорт. Перед установкой смазываем направляющие пальцы специальной смазкой для суппортов. Сборку проводим в обратной последовательности. Не забываем перед началом движения несколько раз нажать на педаль тормоза! Это необходимо сделать для установки колодок в рабочее положение.
Готово! Замена передних тормозных дисков и колодок на автомобиле Skoda Fabia 1.4 2004 закончена.
Хочу вновь напомнить! После замены колодок, в нашем случае и дисков, первый 50-100 км педаль тормоза может быть мягковата и тормоза автомобиля менее эффективны. Колодки притрутся и дальше всё будет окей.
Оплата через PayPal
После выбора оплаты через PayPal запустится платежная система PayPal, где требуется выбрать способ оплаты банковская карта или аккаунт PayPal.
Если у Вас уже есть аккаунт PayPal, то Вам необходимо зайти в него и осуществить платеж.
Если у Вас нет аккаунта в PayPal, и Вы хотите оплатить с помощью банковской карты через PayPal, Вам необходимо нажать на кнопку «Create an Account (Создать аккаунт)» — на рисунке показано стрелочкой.
После чего PayPal предложит вам выбрать Вашу страну и указать данные кредитной карты.
После указания данных, необходимых для осуществления платежа, надо нажать на кнопку «Pay Now (Оплатить)».
Замена тормозных колодок Skoda Fabia своими руками
Поменять задние тормозные колодки на Skoda Fabia совсем несложно, но стоит знать несколько хитростей, которые сократят время работы чуть ли не вдвое
Для замены колодок нам пригодится стандартный набор инструментов, металлическая щетка, а кроме этого, консистентная смазка для тормозных механизмов. Работу нужно выполнять на ровной площадке, а передние колеса зафиксировать противооткатами. Кроме того, крайне не рекомендуется оставлять машину на одном домкрате, лучше подстраховаться подставкой, всякое бывает.
И еще, проследим за тем, чтобы ручник был отпущен до конца, а трос не натянут. Если все готово, начинаем работу. Срываем болты заднего колеса, поднимаем машину на домкрате и снимаем колесо. Далее следуем инструкции:
- Получаем доступ к тормозному механизму. Желательно очистить барабан металлической щеткой.
- Чтобы без проблем снять барабан, необходимо свести колодки. Тем более это актуально в том случае, когда выработка на рабочей поверхности барабана более 1-2 мм. Для этого берем тонкую отвертку и через отверстие в барабане отодвигаем вверх кончик распорного клина. Если этого не сделать, демонтаж барабана может затянуться.
- Битой ТОRХ Т-30 отворачиваем винты крепления барабана.
- Снимаем барабан со ступицы.
- Начинаем разборку механизма с верхней стяжной пружины. Поддеваем ее кончик тонкой отверткой или же используем для этого штатный съемник для колпаков колес. У новых автомобилей он находится в штатном наборе инструментов.
- Снимаем стяжную пружину.
- Плоскогубцами проворачиваем опорную тарелку механизма удерживания колодки, снимаем тарелку, а с другой стороны щитка вынимаем стержень механизма удерживания. Так же поступаем с другой колодкой.
- Опираем длинную отвертку о ступицу и оттягиваем нижний конец колодки, сняв его с упора. То же делаем со второй колодкой.
- Теперь можно снимать нижнюю пружину с колодок, лучше это делать плоскогубцами с узким захватом.
- Выводим верхние части колодок из пазов в поршнях сверху.
- Снимаем переднюю колодку вместе с механизмом самоподводки…
- … а заднюю колодку отсоединяем от троса ручника, аккуратно проворачивая.
- Аккуратно отсоединяем наконечник троса с рычага колодки.
- Теперь с помощью широкой отвертки снимаем пружину механизма выбора зазора.
- Снимаем пружину.
Теперь можно очистить щиток тормозного механизма, но при этом ни в коем случае нельзя использовать бензин или любое другое топливо. Сборку тормозного механизма проводим в обратной последовательности.
Номенклатура
Передние
Оригинальные проходят под каталожным номером 6RU698151 и совпадают с такими же для VW Polo.
Аналоги представлены довольно обширным списком:
- BRILLIANCE SHZ3501082;
- VAG 1J0698151;
- VAG 1J0698151H;
- BENDIX 511057;
- FERODO FDB4590;
- STELLOX 000575SX.
Оригинальные 6RU698525A
Аналоги:
- 1H0609526;
- 6Q0609525A;
- 007440071A.
Задние дисковые
Устанавливались на Фабию в основном в 1 поколении, во 2 только на редких версиях РС и Скаут, но некоторые владельцы самостоятельно переделывают задний мост под дисковые тормоза.
Оригинал 1K0 698 451 J
Аналоги:
- CHERY B116BH3502080;
- Ford 1001096;
- NISSAN INFINITI 44060V4813.
Проблемы при оплате банковскими картами
Иногда при оплате банковскими картами Visa / MasterCard могут возникать трудности. Самые распространенные из них:
- На карте стоит ограничение на оплату покупок в интернет
- Пластиковая карта не предназначена для совершения платежей в интернет.
- Пластиковая карта не активирована для совершения платежей в интернет.
- Недостаточно средств на пластиковой карте.
Для того что бы решить эти проблемы необходимо позвонить или написать в техническую поддержку банка в котором Вы обслуживаетесь. Специалисты банка помогут их решить и совершить оплату.
Вот, в принципе, и все. Весь процесс оплаты книги в формате PDF по ремонту автомобиля на нашем сайте занимает 1-2 минуты.
Если у Вас остались какие-либо вопросы, вы можете их задать, воспользовавшись формой обратной связи, или написать нам письмо на info@krutilvertel.com.
Применимость тормозных механизмов по модификациям Фабии
1,2
Для Фабий с двигателями объемом 1,2 л (в т. ч. дизельными) применялись следующие типы тормозных механизмов:
|
Двигатель/
мощность, л. с. |
Код тормозных
механизмов (передние) |
Код тормозных механизмов (задние) |
| 1,2 / 60 | 1LB; 1LM; 1LQ; 1LR; 1ZG | Braking / Drive Dynamics: для авто с ABS |
| 1,2 / 70 | 1LB; 1LM; 1LQ; 1LR; 1ZG | Braking / Drive Dynamics: для авто с ABS |
| 1.2 12V / 60 | 1LQ; 1LR | Барабаны |
| 1.2 TDI / 75 | 1LQ; 1LR; 1ZG; 1ZC; 1ZD | 1KT;1KV |
| 1.2 TSI / 105 | 1LQ; 1LR; 1ZG; 1ZC; 1ZD | Braking / Drive Dynamics: для авто с ABS |
| 1.2 TSI / 86 | 1LQ; 1LR; 1ZG; 1LN | Braking / Drive Dynamics: для авто с ABS |
1,4
Для Фабий с двигателями объемом 1,4 л (в т. ч. дизельные и RS) применялись следующие типы тормозных механизмов:
|
Двигатель/
мощность, л. с. |
Код тормозных
механизмов (передние) |
Код тормозных механизмов (задние) |
| 1,4 / 86 | 1LQ; 1LR; 1ZG; 1LN | Braking / Drive Dynamics: для авто с ABS |
| 1.4 TDI / 70 | 1LB; 1LM; 1LQ; 1LR; 1ZG | Braking / Drive Dynamics: для авто с ABS |
| 1.4 TDI / 80 | 1LQ; 1LR; 1ZG; 1LN | Braking / Drive Dynamics: для авто с ABS |
| 1.4 TSI RS / 180 | 1ZC; 1ZD | 1KT; 1KV |
1,6
Для Фабий с двигателями объемом 1,6 л (в т. ч. дизельные) применялись следующие типы тормозных механизмов:
|
Двигатель/
мощность, л. с. |
Код тормозных
механизмов (передние) |
Код тормозных механизмов (задние) |
| 1,6 / 105 | 1LQ; 1LR; 1ZG; 1LN | Braking / Drive Dynamics: для авто с ABS |
| 1.6 TDI / 90 | 1LQ; 1LR; 1ZG; 1LN | Braking / Drive Dynamics: для авто с ABS |
| 1.6 TDI / 105 | 1LQ; 1LR; 1ZG; 1LN | Braking / Drive Dynamics: для авто с ABS |
| 1.6 TDI / 75 | 1LQ; 1LR; 1ZG | 1KT; 1KV |
1,9
Для Фабий с дизельным двигателем объемом 1,9 л применялись тормозные механизмы:
- передние – 1LQ; 1LR; 1ZG; 1ZC; 1ZD;
- задние – 1KT; 1KV.
Итого на Фабиях устанавливалось 6 невзаимозаменяемых типоразмеров тормозных дисков, 4 передних и 2 задних.
Как самостоятельно выполнить замену передних и задних колодок на Шкода Фабия (2 поколение)
Процесс самостоятельной замены вовсе не сложный. Работа под силу каждому автолюбителю, наличие опыта и специального оборудования не обязательно.
На подготовительном этапе проверьте наличие автомобильных инструментов, комплекта передних тормозных колодок, жидкости для удаления ржавчины, наслоений WD – 40, ветошь.
Последовательность действий:
домкратом поддомкрачиваем переднее колесо, балонником отвинчиваем болты, снимаем диск;
в расширительном бачке главного тормозного цилиндра шприцом / резиновой грушей откачиваем 100 — 150 мл. жидкости. Такой запас необходим для того, чтобы при сдавливании рабочего цилиндра излишки жидкости не пролились на пол;
с тыльной стороны отвинчиваем два крепежных болта, снимаем суппорт с посадочного места;
отводим его в сторону, подвешиваем на веревку;
отверткой аккуратно поддеваем колодки, извлекаем их;
проводим дефектовку суппорта, поворотного механизма (кулака)
Особое внимание уделяем тормозному диску, если толщина меньше 18.0 мм. — заменяем новым
Дальнейшая эксплуатация связана с высоким риском создания аварийной обстановки;
устанавливаем новые колодки, собираем конструкцию в обратной последовательности.
В расширительный бачок доливаем недостающее количество тормозной жидкости
Важно, чтобы уровень ДОТ — 4 не превышал отметку «Мах»
Замена задних тормозных колодок. Процесс аналогичен предыдущему:
- поддомкрачиваем заднее колесо, фиксируем передний ряд противооткатными башмаками;
- баллонным ключом отвинчиваем болты, снимаем диск;
- выкручиваем два крепежных болта, прижимающих металлический барабан к ступичному механизму;
- плоскогубцами снимаем прижимные пружины, распорную планку, трос ручника, извлекаем колодки;
- проводим дефектовку, устанавливаем новые задние тормозные колодки;
- собираем конструкцию в обратной последовательности.
Возникли трудности с установкой элементов тормозного контура — повторно просмотрите видео в сети интернет, обратитесь за помощью к специалистам СТО. При условии соблюдения рекомендаций, последовательности действий последующая профилактика тормозной системы через 30 – 35 тыс. км.
Скачивание книги
После успешного прохождения платежа (любым способом) и возврата в магазин KrutilVertel с сайта платежной системы Вы попадаете на страницу успешной оплаты:
Купленная Вами книга будет находиться в Вашем личном кабинете, откуда ее всегда можно будет скачать.
Обратите внимание, что после совершения оплаты, Вам необходимо вернуться обратно с сайта платежной системы на сайт KrutilVertel. В случае, если по каким либо причинам Вы не вернулись обратно на сайт и закрыли вкладку платежной системы с сообщением про успешное прохождение платежа, сообщите нам об этом — мы вышлем Вам письмо в котором будет указан доступ для скачивания книги
В случае, если по каким либо причинам Вы не вернулись обратно на сайт и закрыли вкладку платежной системы с сообщением про успешное прохождение платежа, сообщите нам об этом — мы вышлем Вам письмо в котором будет указан доступ для скачивания книги.
9.7.1. Замена тормозных колодок
Проверка толщины фрикционных накладок тормозных колодок
2 – тормозной щит
Детали тормозного барабанного механизма заднего колеса

Разборка тормозных колодок
1 – поджимная пружина регулировочного клина;
2 – передняя тормозная колодка;
4 – верхняя стяжная пружина;
5 – задняя тормозная колодка
Снятие распорной планки
1 – передняя тормозная колодка;
2 – регулировочный клин;
3 – поджимная пружина распорной планки;
5 – распорная планка;
6 – выступ на регулировочном клине
Установка распорной планки
1 – поджимная пружина распорной планки;
2 – передняя тормозная колодка;
3 – распорная планка
Минимально допустимая толщина фрикционной накладки (без основания) – 1,5 мм.
Проверить толщину и состояние тормозных колодок, не снимая колеса, можно через контрольное отверстие на внутренней стороне тормозного щита 2 (см. рис. Проверка толщины фрикционных накладок тормозных колодок), закрытое заглушкой 1.
Замените тормозные колодки в следующих случаях:
– толщина фрикционной накладки менее допустимой; – поверхность накладок замаслена; – накладки непрочно соединены с основанием; – на накладках глубокие борозды и сколы. Предупреждение
Комплекты колодок необходимо заменять сразу с обеих сторон передней подвески.
Не применяйте бензин, дизельное топливо или какие-либо другие минеральные растворители для очистки тормозов.






























